+38 (067) 387 33 07
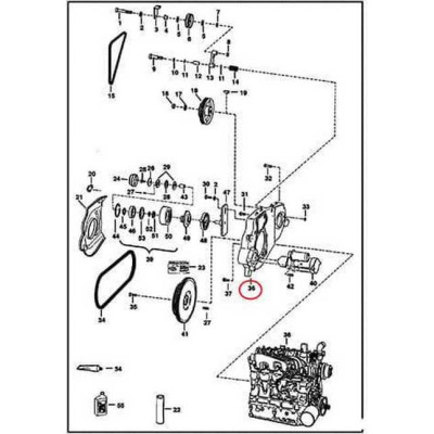
6726613 Корпус привода (монтажная рама) Bobcat
- Модель:6726613
- 100
- Производитель:Bobcat
- Состояние:новое
- На складе:есть оригинал и аналоги
- Страна производитель:США, Франция, Чехия, PRS, Мексика, Канада
- Назначение техники:сельскохозяйственная, дорожная, коммунальная, строительная
Українська







