+38 (067) 387 33 07
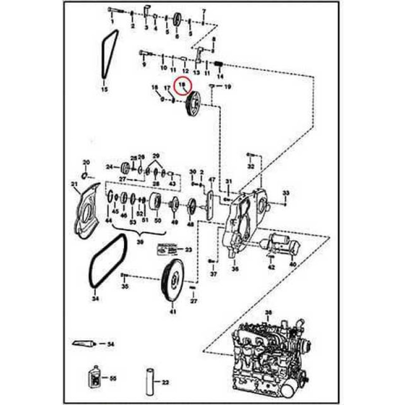
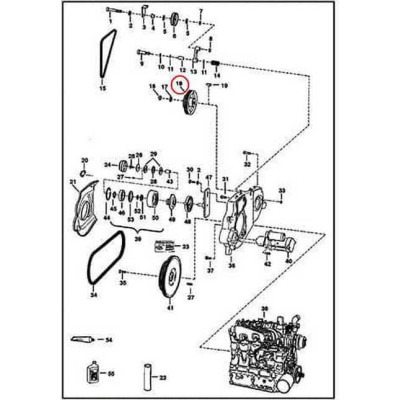
6726539 Шків приводу д / н (3-х ручевой) Bobcat
- Модель:6726539
- 100
- Виробник:Bobcat
- Стан:нове
- На складі:є оригінал та аналоги
- Країна виробник:США, Франція, Чехія, PRS, Мексика, Канада
- Призначення техніки:сільськогосподарська, дорожня, комунальна, будівельна
Русский







